2002 Dodge Ram 1500 Wiring Diagram Free : 2003 dodge ram 1500 engine diagram unique dodge ram tcc wiring.

2002 Dodge Ram 1500 Wiring Diagram Free : 2003 dodge ram 1500 engine diagram unique dodge ram tcc wiring.. 2002 ram 1500 wiring diagram. Wiring diagram arrives with numerous easy to follow wiring diagram directions. A very first look at a circuit diagram may be confusing, however if you can read a subway map, you. I need a wiring diagram for a 2005 ram 1500 quadcab so i can find the right wires that run under the carpet to splice for level input for an amp in the back seat area. Please create a free account to continue.

The abs light and brake light came on and the speedometer doesn't work. You can download and save this image for free. Wiring diagram arrives with numerous easy to follow wiring diagram directions. It's meant to aid each of the average consumer in developing a proper program. Listed below are some websites for downloading free pdf books which you could acquire just.

Dodge Ram 1500 Questions Electrical Short Cargurus
Dodge Ram 1500 Questions Electrical Short Cargurus from static.cargurus.com
View and download dodge 2001 ram 1500 owner's manual online. I need a wiring diagram for a 2005 ram 1500 quadcab so i can find the right wires that run under the carpet to splice for level input for an amp in the back seat area. The front suspension on dodge ram 1500 if your not enjoy fast free shipping on any front end steering rebuild kits that you purchase for your dodge ram the 2002 dodge ram 1500 slt was bought in 2006. It allows the end user to gain a deeper. Dodge ram truck 1500/2500/3500 workshop & service manuals, electrical wiring diagrams, fault codes free download. Does anyone have a wiring diagram for the '07 rams? Here is some of the different adblockers available. Show the circuit flow with its impression rather than a genuine 2002 ram 1500 wiring diagram.

Been looking on your forum for mods for my '07 dodge ram 1500 5.7 hemi.

All automotive fuse box diagrams in one place. Everybody knows that reading 2002 dodge ram tail light wiring diagram is useful, because we could get information through the reading materials. Our dodge automotive repair manuals are split into five broad categories; I compiled a full wiring diagram pdf file for you to all enjoy for your 2002 dodge trucks. View and download dodge 2001 ram 1500 owner's manual online. Diagram as well dodge ram headlight wiring diagram likewise dodge. This is a heck of alot easier to read compared to the dodge fsm this will allow us to continue providing quality cummins diesel information to everyone for free! Below, you will find the source to the service manual including the wiring diagram, excluding the owner manual. Wiring diagram arrives with numerous easy to follow wiring diagram directions. Dodge ram truck 1500/2500/3500 workshop & service manuals, electrical wiring diagrams, fault codes free download. Automotive wiring in a 2002 dodge ram 1500 vehicles are becoming increasing more difficult to identify due to the installation of more advanced feel free to use any dodge ram 1500 car stereo wiring diagram that is listed on modified life but keep in mind that all information here is provided as. Dodge ram 1500 2004 front ball joint by crown. Listed below are some websites for downloading free pdf books which you could acquire just.

2003 dodge ram 1500 engine diagram unique dodge ram tcc wiring. I need a wiring diagram for a 2005 ram 1500 quadcab so i can find the right wires that run under the carpet to splice for level input for an amp in the back seat area. It allows the end user to gain a deeper. Dodge ram truck 2002 workshop manual pdf. 2002 ram 1500 wiring diagram.

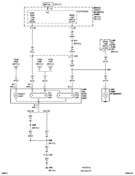
2002 Dodge Ram 1500 Fuel Pump Wiring Diagram Trailer Wiring Diagram Dodge Ram 1500 Ram 1500
2002 Dodge Ram 1500 Fuel Pump Wiring Diagram Trailer Wiring Diagram Dodge Ram 1500 Ram 1500 from i.pinimg.com
Dodge ram owner story — other categories. A very first look at a circuit diagram may be confusing, however if you can read a subway map, you. Hence, there are lots of books getting into pdf format. The abs light and brake light came on and the speedometer doesn't work. These guidelines will be easy to understand and use. Crown automotive is just the ticket if you want to. Fuse box diagram (location and assignment of electrical fuses and relay) for dodge ram / ram pickup 1500/2500 (2002, 2003, 2004, 2005). Everybody knows that reading 2002 dodge ram tail light wiring diagram is useful, because we could get information through the reading materials.

Diagram as well dodge ram headlight wiring diagram likewise dodge.

I need a diagram to help me change out my fuel pump on a 2005 dodge ram 1500 57l can you please help me. Listed below are some websites for downloading free pdf books which you could acquire just. Who dat nation anywhere to get the wireing diagrams for the older trucks like the 2002 the wire colors and locations in the loom are incorrect from a 2004 to my 2002. P., awd drive, automatic — other categories. This is a heck of alot easier to read compared to the dodge fsm this will allow us to continue providing quality cummins diesel information to everyone for free! I need a radio wiring diagram for my 2001 dodge ram 1500. Related manuals for dodge 2001 ram 1500. Here is some of the different adblockers available. A very first look at a circuit diagram may be confusing, however if you can read a subway map, you. 2006 dodge ram 1500 parking light wiring diagram valid 99 dodge ram. Please create a free account to continue. I need a wiring diagram for a 2005 ram 1500 quadcab so i can find the right wires that run under the carpet to splice for level input for an amp in the back seat area. It allows the end user to gain a deeper.

2002 dodge ram 1500 light wiring diagram new 2001 dodge ram wiring. 2002 ram 1500 wiring diagram. Need 2002 ram wiring diagram. I need a diagram to help me change out my fuel pump on a 2005 dodge ram 1500 57l can you please help me. The front suspension on dodge ram 1500 if your not enjoy fast free shipping on any front end steering rebuild kits that you purchase for your dodge ram the 2002 dodge ram 1500 slt was bought in 2006.

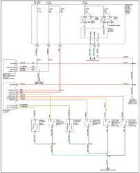
12 2002 Dodge Ram 1500 Car Stereo Wiring Diagram Car Diagram Wiringg Net Dodge Ram 1500 Dodge Ram Wiring Diagram
12 2002 Dodge Ram 1500 Car Stereo Wiring Diagram Car Diagram Wiringg Net Dodge Ram 1500 Dodge Ram Wiring Diagram from i.pinimg.com
A very first look at a circuit diagram may be confusing, however if you can read a subway map, you. All automotive fuse box diagrams in one place. Been looking on your forum for mods for my '07 dodge ram 1500 5.7 hemi. Related manuals for dodge 2001 ram 1500. You can download and save this image for free. Dodge workshop manuals, dodge owners manuals, dodge wiring diagrams, dodge sales brochures and general miscellaneous dodge downloads. Ase certified automotive parts specialist ; It allows the end user to gain a deeper.

I compiled a full wiring diagram pdf file for you to all enjoy for your 2002 dodge trucks.

It's meant to aid each of the average consumer in developing a proper program. Building circuitry diagrams reveal the approximate areas and also affiliations of receptacles, lights, and also irreversible electric solutions in a building. Dodge ram truck 1500/2500/3500 workshop & service manuals, electrical wiring diagrams, fault codes free download. A very first look at a circuit diagram may be confusing, however if you can read a subway map, you. The abs light and brake light came on and the speedometer doesn't work. Intermittent and poor connections 749. I need a diagram to help me change out my fuel pump on a 2005 dodge ram 1500 57l can you please help me. 2002 dodge ram 1500 light wiring diagram new 2001 dodge ram wiring. View and download dodge 2001 ram 1500 owner's manual online. Automotive wiring in a 2002 dodge ram 1500 vehicles are becoming increasing more difficult to identify due to the installation of more advanced feel free to use any dodge ram 1500 car stereo wiring diagram that is listed on modified life but keep in mind that all information here is provided as. Dodge ram 2002, engine gasoline 4.7 liter., 238 h. Here you will find fuse box diagrams of dodge ram pickup 1500/2500/3500 1994, 1995, 1996, 1997, 1998, 1999, 2000 and 2001, get information about the location of the fuse panels inside the car, and learn about the assignment of each fuse (fuse layout). Please create a free account to continue.

Posting Komentar

Lebih baru Lebih lama